- 伸縮・伸縮可とう管
- スリーブジョイント
- 伸縮管
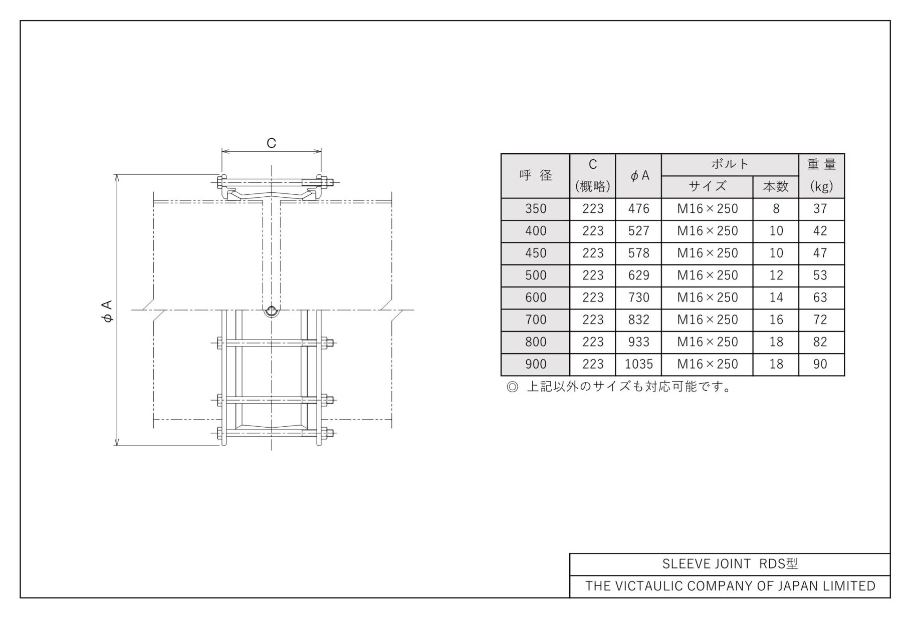
RDS型(350A~900A)
- 受注生産品
口径350A~900A用 鋼製スリーブジョイント
管に継手を差し込んで接合できる簡易な鋼製の無頭管伸縮継手です。
円周上のボルト・ナットを締め込むことで、左右のフランジがゴムリングを内側に押し付けます。押し付けられたゴムリングは、スリーブ端および管外面に押し当てられ密着し、止水される機構となっております。ストッパーはプラグ式(RDS型)と溶接式(RD型)の2種類が選択できます。
| 対応サイズ | 350A~900A |
|---|---|
| 使用圧力 | 常用圧力1.0MPa(10kgf/㎠) 試験水圧1.5MPa(15kgf/㎠) |
| 材質 | スリーブ・フランジ:SS400 ボルト・ナット:SS400 ゴムリング:SBR他 ストッププラグ:SUS304 ※その他ステンレス製品もございます |
| 塗装 | 内外面:水道用液状エポキシ樹脂塗料 ボルト・ナット:溶融亜鉛メッキ ※その他、対応可能な塗装もございますので、ご相談ください。 |
| 型式 | RDS型・RD型・RDN型 |
| 用途 |
必要性能 管端接続形状 常用圧力 |
口径350A~900A用 鋼製スリーブジョイント
管に継手を差し込んで接合できる簡易な鋼製の無頭管伸縮継手です。
円周上のボルト・ナットを締め込むことで、左右のフランジがゴムリングを内側に押し付けます。押し付けられたゴムリングは、スリーブ端および管外面に押し当てられ密着し、止水される機構となっております。ストッパーはプラグ式(RDS型)と溶接式(RD型)の2種類が選択できます。
| 対応サイズ | 350A~900A |
|---|---|
| 使用圧力 | 常用圧力1.0MPa(10kgf/㎠) 試験水圧1.5MPa(15kgf/㎠) |
| 材質 | スリーブ・フランジ:SS400 ボルト・ナット:SS400 ゴムリング:SBR他 ストッププラグ:SUS304 ※その他ステンレス製品もございます |
| 塗装 | 内外面:水道用液状エポキシ樹脂塗料 ボルト・ナット:溶融亜鉛メッキ ※その他、対応可能な塗装もございますので、ご相談ください。 |
| 型式 | RDS型・RD型・RDN型 |
| 用途 |
必要性能 管端接続形状 常用圧力 |
製品の特徴
-

01RDS型
スリーブ中央にストッププラグ(ねじ込み式)が付属されたスリーブジョイントです。
プラグを緩めることで製品の移動が容易になり、施工性及びメンテナンス性に優れております。また、片寄りによる脱管を阻止します。 -

02RD型
スリーブ中央にセンターレジスター(溶接接合)が付属されたスリーブジョイントです。
片寄りによる脱管を阻止します。 -

03RDN型
スリーブ内部にストッパーの無いスリーブジョイントです。
製品の移動が容易ですが、片寄りが発生する配管では取り扱いに注意が必要です。








